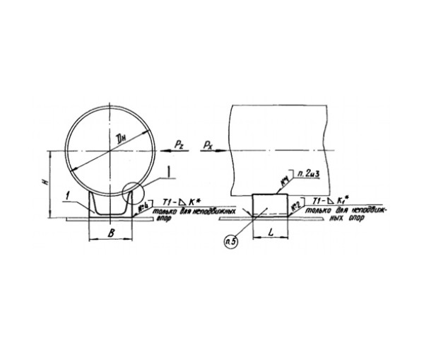
Л8-138.000 - Л8-200.000: Опоры и подвески станционных трубопроводов в Уфе

Л8-138.000 - Л8-200.000: Опоры и подвески станционных трубопроводов в Уфе

На складе в Уфе: 83358 шт
#
Заказы любой сложности

Вся продукция в доступных объемах

#
Быстрый сервис

Изготовление от трех рабочих дней

#
Отсрочка платежа

Товарный кредит или отсрочка платежа

info@pipe-ppu.ru 8 (800) 222-68-13
Обозначение
Л8-193.000-08
Длина, мм
150
Высота Н, мм
150
Вес опоры, кг
3,7
Н1, мм
204
Наружный диаметр Dn, мм
108
Ширина опоры В, мм
100
Вертикальная сила Рx, кН
800
Тип опоры
хомутовая
Ориентировочная дата доставки в г. Уфа 20 февраля.
Обозначение
Л8-197.000-46
а
460
j
150
Вес опоры, кг
7
Осевая сила Q, кН
3000
Наружный диаметр Dn, мм
426
Тип опоры
скользящая
Ориентировочная дата доставки в г. Уфа 20 февраля.
Обозначение
Л8-141.000-06
Вес, кг
38,3
b
660
c
65
j1
20
j
65
Длина, мм
300
Ориентировочная дата доставки в г. Уфа 20 февраля.
Обозначение
Л8-199.000-11
R
500
Допускаемая осевая нагрузка Px, кгс при Pz=0,5Px
5200
Высота Н, мм
497
Вес опоры, кг
33
Осевая сила Q, кН
5200
Наружный диаметр Dn, мм
530
Тип опоры
для отводов
Ориентировочная дата доставки в г. Уфа 20 февраля.
Обозначение
Л8-147.000-07
Вес, кг
0,85
b
100
j
100
Длина, мм
100
Высота Н, мм
110
Осевая сила Q, кН
500
Наружный диаметр Dn, мм
159
Тип опоры
швеллерные
Ориентировочная дата доставки в г. Уфа 20 февраля.
Обозначение
Л8-147.000-25
Вес, кг
27,1
b
300
j
350
Длина, мм
300
Высота Н, мм
440
Осевая сила Q, кН
7500
Наружный диаметр Dn, мм
720
Тип опоры
швеллерные
Ориентировочная дата доставки в г. Уфа 20 февраля.
Опора катковая Л8-196.000-41 1620 мм Опора катковая Л8-196.000-41 1620 мм
От 289200.00 ₽
Обозначение
Л8-196.000-41
Вес, кг
174
а
250
Длина, мм
450
Высота Н, мм
960
Осевая сила Q, кН
27000
Наружный диаметр Dn, мм
1620
Ширина опоры В, мм
960
Тип опоры
катковая
Ориентировочная дата доставки в г. Уфа 20 февраля.
Обозначение
Л8-191.000
Вес, кг
0,8
b
40
j
84
Длина, мм
100
Высота Н, мм
100
Наружный диаметр Dn, мм
57
Тип опоры
приварная
Ориентировочная дата доставки в г. Уфа 20 февраля.
Обозначение
Л8-191.000-71
Вес, кг
158
b
900
j
850
Длина, мм
900
Высота Н, мм
100
Наружный диаметр Dn, мм
1420
Тип опоры
приварная
Ориентировочная дата доставки в г. Уфа 20 февраля.
Обозначение
Л8-198.000-16
R
1530
Длина, мм
850
Высота Н, мм
100
Н1, мм
1516
Осевая сила Q, кН
124
Наружный диаметр Dn, мм
1020
Ширина опоры В, мм
550
Тип опоры
для отводов
Ориентировочная дата доставки в г. Уфа 20 февраля.
Обозначение
Л8-148.000-16
j
450
Длина, мм
500
Высота Н, мм
740
Вес опоры, кг
73,4
Осевая сила Q, кН
26000
Наружный диаметр Dn, мм
1420
Ширина опоры В, мм
700
Тип опоры
скользящая
Ориентировочная дата доставки в г. Уфа 20 февраля.
Обозначение
Л8-200.000-12
R
525
Высота Н, мм
288
Вес опоры, кг
20,6
Осевая сила Q, кН
3000
Наружный диаметр Dn, мм
377
Ширина опоры В, мм
300
Тип опоры
для отводов
Ориентировочная дата доставки в г. Уфа 20 февраля.
Обозначение
Л8-150.000-77
b1
1780
Длина, мм
900
Высота Н, мм
100
Вес опоры, кг
506
Н1, мм
910
Наружный диаметр Dn, мм
1620
Ширина опоры В, мм
900
Тип опоры
хомутовая
Ориентировочная дата доставки в г. Уфа 20 февраля.
H, мм
190
Обозначение
Л8-192.000-12
b
100
Высота Н, мм
150
Вес опоры, кг
3,8
Н1, мм
217
Осевая сила Q, кН
430
Наружный диаметр Dn, мм
133
Тип опоры
хомутовая
Ориентировочная дата доставки в г. Уфа 20 февраля.
Обозначение
Л8-194.000-01
b
200
Длина, мм
150
Высота Н, мм
100
Вес опоры, кг
10,5
Н1, мм
210
Осевая сила Q, кН
12
Наружный диаметр Dn, мм
220
Тип опоры
хомутовая
Ориентировочная дата доставки в г. Уфа 20 февраля.
Опора хомутовая неподвижная Л8-193.000-08 108 мм
От 1770.00 ₽
  • Обозначение
    Л8-193.000-08
  • Длина, мм
    150
  • Высота Н, мм
    150
  • Вес опоры, кг
    3,7
  • Н1, мм
    204
  • Наружный диаметр Dn, мм
    108
  • Ширина опоры В, мм
    100
  • Вертикальная сила Рx, кН
    800
  • Тип опоры
    хомутовая
Опора скользящая и неподвижная с направляющим хомутом Л8-197.000-46 426 мм
От 2610.00 ₽
  • Обозначение
    Л8-197.000-46
  • а
    460
  • j
    150
  • Вес опоры, кг
    7
  • Осевая сила Q, кН
    3000
  • Наружный диаметр Dn, мм
    426
  • Тип опоры
    скользящая
Блок двухкатковый Л8-141.000-06 38,3 кг
От 21450.00 ₽
  • Обозначение
    Л8-141.000-06
  • Вес, кг
    38,3
  • b
    660
  • c
    65
  • j1
    20
  • j
    65
  • Длина, мм
    300
Опора крутоизогнутых отводов Л8-199.000-11 530 мм
От 9540.00 ₽
  • Обозначение
    Л8-199.000-11
  • R
    500
  • Допускаемая осевая нагрузка Px, кгс при Pz=0,5Px
    5200
  • Высота Н, мм
    497
  • Вес опоры, кг
    33
  • Осевая сила Q, кН
    5200
  • Наружный диаметр Dn, мм
    530
  • Тип опоры
    для отводов
Опоры швеллерные скользящие и неподвижные Л8-147.000-07 159х110 мм
От 1800.00 ₽
  • Обозначение
    Л8-147.000-07
  • Вес, кг
    0,85
  • b
    100
  • j
    100
  • Длина, мм
    100
  • Высота Н, мм
    110
  • Осевая сила Q, кН
    500
  • Наружный диаметр Dn, мм
    159
  • Тип опоры
    швеллерные
Опоры швеллерные скользящие и неподвижные Л8-147.000-25 720х440 мм
От 40200.00 ₽
  • Обозначение
    Л8-147.000-25
  • Вес, кг
    27,1
  • b
    300
  • j
    350
  • Длина, мм
    300
  • Высота Н, мм
    440
  • Осевая сила Q, кН
    7500
  • Наружный диаметр Dn, мм
    720
  • Тип опоры
    швеллерные
Опора катковая Л8-196.000-41 1620 мм
От 289200.00 ₽
  • Обозначение
    Л8-196.000-41
  • Вес, кг
    174
  • а
    250
  • Длина, мм
    450
  • Высота Н, мм
    960
  • Осевая сила Q, кН
    27000
  • Наружный диаметр Dn, мм
    1620
  • Ширина опоры В, мм
    960
  • Тип опоры
    катковая
Опора приварная неподвижная Л8-191.000 57 мм
От 480.00 ₽
  • Обозначение
    Л8-191.000
  • Вес, кг
    0,8
  • b
    40
  • j
    84
  • Длина, мм
    100
  • Высота Н, мм
    100
  • Наружный диаметр Dn, мм
    57
  • Тип опоры
    приварная
Опора приварная неподвижная Л8-191.000-71 1420 мм
От 147000.00 ₽
  • Обозначение
    Л8-191.000-71
  • Вес, кг
    158
  • b
    900
  • j
    850
  • Длина, мм
    900
  • Высота Н, мм
    100
  • Наружный диаметр Dn, мм
    1420
  • Тип опоры
    приварная
Опора сварных отводов Л8-198.000-16 1020 мм
От 56700.00 ₽
  • Обозначение
    Л8-198.000-16
  • R
    1530
  • Длина, мм
    850
  • Высота Н, мм
    100
  • Н1, мм
    1516
  • Осевая сила Q, кН
    124
  • Наружный диаметр Dn, мм
    1020
  • Ширина опоры В, мм
    550
  • Тип опоры
    для отводов
Опора скользящая и неподвижная Л8-148.000-16 1420х740 мм
От 19050.00 ₽
  • Обозначение
    Л8-148.000-16
  • j
    450
  • Длина, мм
    500
  • Высота Н, мм
    740
  • Вес опоры, кг
    73,4
  • Осевая сила Q, кН
    26000
  • Наружный диаметр Dn, мм
    1420
  • Ширина опоры В, мм
    700
  • Тип опоры
    скользящая
Опора трубчатая крутоизогнутых отводов Л8-200.000-12 377 мм
От 9450.00 ₽
  • Обозначение
    Л8-200.000-12
  • R
    525
  • Высота Н, мм
    288
  • Вес опоры, кг
    20,6
  • Осевая сила Q, кН
    3000
  • Наружный диаметр Dn, мм
    377
  • Ширина опоры В, мм
    300
  • Тип опоры
    для отводов
Опора хомутовая неподвижная Л8-150.000-77 1620 мм
От 888000.00 ₽
  • Обозначение
    Л8-150.000-77
  • b1
    1780
  • Длина, мм
    900
  • Высота Н, мм
    100
  • Вес опоры, кг
    506
  • Н1, мм
    910
  • Наружный диаметр Dn, мм
    1620
  • Ширина опоры В, мм
    900
  • Тип опоры
    хомутовая
Опора хомутовая скользящая Л8-192.000-12 133 мм
От 1380.00 ₽
  • H, мм
    190
  • Обозначение
    Л8-192.000-12
  • b
    100
  • Высота Н, мм
    150
  • Вес опоры, кг
    3,8
  • Н1, мм
    217
  • Осевая сила Q, кН
    430
  • Наружный диаметр Dn, мм
    133
  • Тип опоры
    хомутовая
Опора хомутовая скользящая Л8-194.000-01 220 мм
От 14100.00 ₽
  • Обозначение
    Л8-194.000-01
  • b
    200
  • Длина, мм
    150
  • Высота Н, мм
    100
  • Вес опоры, кг
    10,5
  • Н1, мм
    210
  • Осевая сила Q, кН
    12
  • Наружный диаметр Dn, мм
    220
  • Тип опоры
    хомутовая
Показать еще


Опоры и подвески станционных трубопроводов используются для обеспечения надежного и устойчивого функционирования трубопроводных систем. Элементы предназначены для фиксации и поддержания трубопроводов в нужном положении, предотвращения их деформации и повреждений в результате температурных колебаний, вибраций и других внешних воздействий.

Характеристика Значение
Материал Углеродистая сталь, нержавеющая сталь, сплавы
Температурный диапазон От -60°C до +450°C
Диаметр трубопровода От 25 мм до 1500 мм
Максимальная нагрузка До 5000 кг
Типы соединений Сварные, фланцевые, резьбовые
Антикоррозийное покрытие Горячее цинкование, порошковая окраска
Сертификаты соответствия ГОСТ, ISO

Виды

Опоры неподвижные:

  • Л8-138.000 - 145.000: для трубопроводов малого и среднего диаметра.
  • Л8-146.000 - 150.000: для трубопроводов большого диаметра.

Подвески скользящие:

  • Л8-151.000 - 160.000: с возможностью регулировки по высоте.
  • Л8-161.000 - 170.000: фиксированные.

Подвески пружинные:

  • Л8-171.000 - 180.000: для компенсации тепловых расширений.
  • Л8-181.000 - 190.000: для гашения вибраций.

Опоры подвижные:

  • Л8-191.000 - 195.000: с возможностью осевого перемещения.
  • Л8-196.000 - 200.000: с возможностью углового перемещения.

Примеры использования

  • Энергетика: Для поддержания трубопроводов в теплоэлектростанциях и атомных электростанциях.
  • Нефтехимия: В нефтеперерабатывающих и химических заводах для транспортировки сырья и продуктов переработки.
  • Коммунальные хозяйства: В системах водоснабжения и отопления городов и промышленных объектов.